PRODUCT INFORMATION
| Model# | GD412-B-44 |
|---|
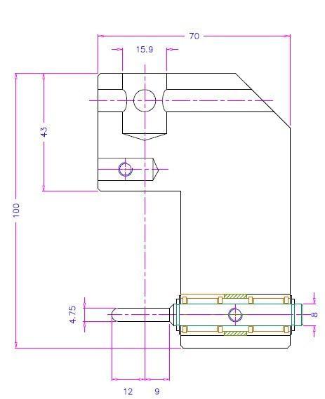
The GD412-B-44 O-Ring Test Fixture is made per ASTM D412 Method B. This fixture measures the stress-strain properties of flat ring samples of vulcanized thermoset rubbers and thermoplastic elastomers.
The GD412-B-44 includes one upper and one lower grip with a 15.9 mm female cup adapter with a hole for a 8 mm diameter cross pin. Machine adapters are available to connect with existing test machines.
FEATURES & BENEFITS
- Meets ASTM D412 Method B
- 4.75 mm diameter shaft on bearings
- 15.9 mm (5/8 in) cup with 8 mm pin


| Product Literature |
|---|




