
- 1/10000의 고정밀도를 제공
- 고강도 알루미늄 사용
- 민감한 하중을 측정하도록 설계
- Probe 및 fixture adaptor 포함
- Cross head mount adaptor 별매
Specification
|
|
Load cells |
||
|
적용 모델 |
Micro-precision |
Precision |
Standard |
|
정격용량(R.C.) |
150gf, 300gf, 600gf |
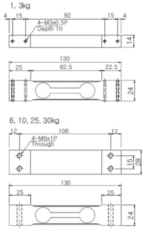
1kgf, 3kgf |
6kgf, 10kgf, 25kgf, 30kgf |
|
정격출력(R.O.) |
1.2 mV/V ±2% |
1mV/V ±1% |
2mV/V ±1% |
|
비직선성 |
≤0.02% R.O. |
||
|
Hysteresis |
≤0.02% R.O. |
||
|
Repeatability |
≤0.02% R.O. |
||
|
Creep |
≤0.03% R.O. in 20 minuits |
||
|
Zero Balance |
±5% R.O. |
≤5% R.O. |
|
|
온도범위 |
-10 ~ 50℃ |
-10 ~ 70℃ |
|
|
출력의 온도영향 |
0.02% Load/10℃ |
≤0.012% Load/10℃ |
|
|
영점의 온도영향 |
0.03% R.O./10℃ |
≤0.04% R.O./10℃ |
|
|
입력간저항 |
420 ±30Ω |
420 Ohms ±10 Ohms |
|
|
출력간저항 |
350 ±2Ω |
350 Ohms ±5 Ohms |
|
|
절연저항 |
2000 ㏁ |
2000 MOhms at 50V DC |
|
|
인가전압 |
10V |
10V |
|
|
연결케이블 |
Φ3, 4CORE SHIELD CABLE, 1.5m |
Ø4mmx1.5m (4C쉴드) |
Ø5mmx1.5m (4C쉴드) |
|
보호등급 |
IP 65 |
||
|
허용과부하 |
150% R.C. |
||
|
극한과부하 |
300% R.C. |
||



