메뉴 건너뛰기

MBE, Molecular Beam Epitaxy System

Dr. Eberl MBE-Komponenten GmbH, Germany

Trusted expertise since 1990

35 years of development and manufacture of complex systems and components for multiple tasks

Viewport Shutter FSH

Viewport Shutter FSH

The Viewport Shutters FSH are high-quality swing shutters used to cover and protect all kinds of viewports in UHV systems.

 

  • Compatible with all UHV systems
  • Double-sided CF flange
  • Flange sizes DN63CF, DN100CF
  • Right-angle swing type shutter
  • Perfect view into UHV chamber due to 90° shutter opening
  • Actuated with rotary feedthrough
  • Magnetically coupled rotary feedthrough
  • Two different shutter blade design options
  • Bakeable up to 250°C

 

Introduction

The Viewport Shutters FSH are high-quality swing shutters used to cover and protect all kinds of viewports in UHV systems.

The well designed swing shutters allow perfect shielding of the viewport, while providing an unobstructed view into the UHV chamber, when completely opended by 90°.
All FSH viewport shutters are actuated by magnetically coupled rotary motion feedthroughs with position lock. A feedthrough with welded bellows-sealing is available on request, e.g. for applications sensitive to magnetic fields.
FSH viewport shutters can be easily retrofitted between viewport and respective chamber flange due to double-sided CF flanges.

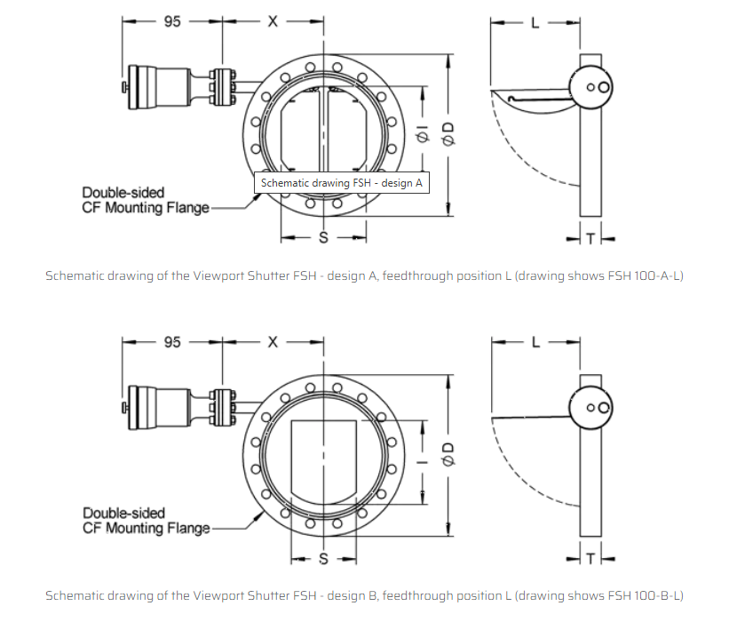
The range of FSH viewport shutters comprises two design options, as shown in the figures on the right hand side.

FSH 100-A-L with flexible shutter blade in opened position

Design option A features a flexible shutter blade, that flexes and blends into the tube I.D. of the chamber port. Scratching along the tube’s inner wall is prevented by small spacers. This design implements the largest achievable viewing diameter in conjunction with good shielding of the window.
Design option B carries a rigid shutter blade. The shutter blade can be opened 90° into the port tube. In closed position the blade overlaps on its circumference with the fixed aperture plate, thus providing a 100% optically tight shielding. The viewing area, howewer, is reduced in comparison with design A.

FSH 100-B-L with DN100CF window attached (blade half opened)

 

Application

The FSH viewport shutters are recommended for use on all viewports having direct sight into evaporation sources or onto other sources of intense heat- or vapor-beam-radiation. The effective shielding by the shutter blade reduces viewport coating and thermal stress to the window during deposition.

FSH viewport shutters are assembled with rotary motion feedthrough handle on the left side (option L) by default, as shown in the drawings below. Assembly on the opposite side (option R) on request.

The standard mounting flange type for all FSH viewport shutters is DN CF. Other flange types and sizes can be offered, too. Please specify requirements with inquiry.

Dimensions


 

Specific data

Product

CF flange

Dimension S

Dimension I

Dimension D

Dimension X

Dimension L

Dimension T

Feedthrough position

 

[mm/inch]

[mm]

[mm]

[mm]

[mm]

[mm]

[mm]

Option

FSH 63-A

DN63 CF (O.D. 4.5")

50

56

113,5

74

50

17,5

L,R

FSH 63-B

DN63 CF (O.D. 4.5")

36

50

113,5

74

50

17,5

L,R

FSH 100-A

DN100 CF (O.D. 6")

80

92

152

95

85

20

L,R

FSH 100-B

DN100 CF (O.D. 6")

61

79

152

95

95

20

L,R

 

 


 

share
Equipment Rotary Pneumatic Module RPM Rotary Pneumatic Module RPM The RPM is a drive unit for rotary shutter motion. Its torque reaches 0.
댓글 0
19
Equipment Shutter Shutter We provide a variety of cell shutters designed for different evaporation sources. The shutte
댓글 0
20
Equipment Shutter Control Unit SCU Shutter Control Unit SCU The SCU is the power supply and controller for different soft-acting shutte
댓글 0
17
Equipment Soft-acting Linear Shutter Module LSM Soft-acting Linear Shutter Module LSM The LSM consists of a soft-acting linear motion mechanism, dri
댓글 0
16
Equipment Soft-acting Rotary Shutter Module RSM Soft-acting Rotary Shutter Module RSM The RSM is a drive unit for rotary shutter motion that provide
댓글 0
24
Equipment Viewport Shutter FSH Viewport Shutter FSH The Viewport Shutters FSH are high-quality swing shutters used to cover and pro
댓글 0
24
Simulation and Consulting Roll-to-Roll Systems Information on the angular flux distribution, resulting flow rate distribution, material composition
댓글 0
1,162
« 1 2 3 4 5 6 »
« 2 / 6 »
문의
하기